Bolt 243712
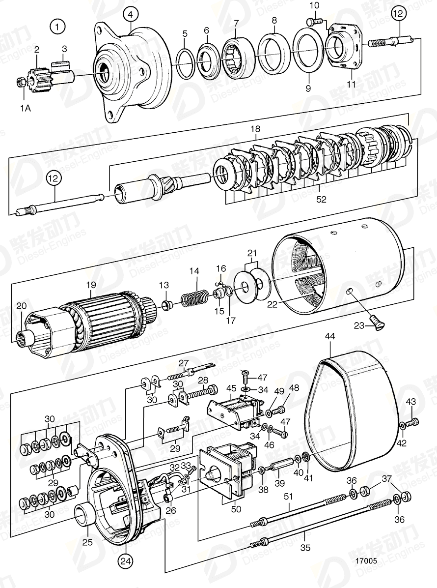
| No. |
Part Name |
Part Number |
Qty |
Description |
| 1 |
Starter motor |
465929 |
1 |
24V |
| 2 |
Starter pinion |
243180 |
1 |
|
| 3 |
Key |
240473 |
1 |
|
| 5 |
Spring |
240451 |
1 |
|
| 6 |
Sealing ring |
240450 |
1 |
|
| 7 |
Needle bearing |
240453 |
1 |
|
| 8 |
Bearing bushing |
240455 |
1 |
|
| 9 |
Spacer washer |
240457 |
1 |
|
| 10 |
Screw |
848095 |
4 |
|
| 11 |
Bearing shield |
240456 |
1 |
|
| 12 |
Rotor shaft |
6643680 |
1 |
|
| 13 |
Washer |
844410 |
1 |
|
| 14 |
Compression spring |
6212617 |
1 |
|
| 15 |
Stop ring |
6212622 |
1 |
|
| 16 |
Ball |
184453 |
11 |
(844412) |
| 17 |
Lock ring |
240471 |
1 |
|
| 18 |
Disc clutch |
244539 |
1 |
|
| 19 |
Anchor |
6212614 |
1 |
(6212706) |
| 1A |
Nut |
1696396 |
1 |
|
| 20 |
Needle bearing |
243091 |
1 |
|
| 21 |
Shim |
240486 |
1 |
TH=0.3mm |
| 21 |
Shim |
240487 |
1 |
TH=0.5mm |
| 21 |
Shim |
241904 |
1 |
TH=0.2mm |
| 22 |
Field winding |
6212612 |
1 |
(6212705) |
| 23 |
Screw |
847984 |
8 |
|
| 25 |
Bearing bushing |
240481 |
1 |
|
| 26 |
Brush spring |
240478 |
4 |
|
| 27 |
Terminal screw |
240479 |
1 |
|
| 28 |
Bolt |
243712 |
1 |
For 244348 |
| 29 |
Small parts kit |
6643672 |
1 |
|
| 30 |
Small parts kit |
3094494 |
2 |
|
| 31 |
O-ring |
72225 |
1 |
|
| 32 |
Brush set |
3094854 |
1 |
|
| 33 |
Screw |
6643679 |
2 |
|
| 34 |
Spring washer |
941905 |
8 |
Replaced by 1306630, AQ125A USA MO-7545816/XXXX. AQ125A MO-7546500/XXXX. |
| 35 |
Bolt |
6643678 |
3 |
|
| 36 |
Washer |
955892 |
4 |
|
| 37 |
Hexagon nut |
955781 |
4 |
|
| 38 |
Washer |
240498 |
2 |
|
| 39 |
Bolt |
243713 |
2 |
|
| 40 |
Gasket |
72202 |
2 |
|
| 41 |
Washer |
72201 |
2 |
|
| 42 |
Spring washer |
941906 |
2 |
|
| 43 |
Cross recessed screw |
956094 |
2 |
|
| 44 |
Protecting casing |
240496 |
1 |
|
| 45 |
Actuator solenoid |
240488 |
1 |
|
| 46 |
Washer |
940090 |
3 |
|
| 47 |
Screw |
244218 |
6 |
|
| 49 |
Spring washer |
941907 |
2 |
|
| 50 |
Starter solenoid |
240493 |
1 |
|
| 51 |
Bolt |
6643677 |
1 |
|
| 52 |
Small parts kit |
6644414 |
1 |
|
| Item |
Part Name |
Part No. |
| 28 |
Bolt 243712 |
243712 |
| Details |
| Engine model |
DH10A, DH10A 285, DH10A 360, DH10A Rail, THD102KD, THD102KB, THD102K-KB |
| Application |
Starter Starter Motor, Components |
| Specification |
| Descriptions |
For 244348 |
Tags:
Bolt,
Volvo Penta,
243712